|
Есть вопросы? Наши квалифицированные специалисты готовы проконсультировать вас. Пишите свои вопросы или отправляйте заявку на нашу почту: gt@gigaterm.ru |
Задать вопрос
|
Доставка - по тарифу ТК
|
Наименование основных технических характеристик |
Диаметр расходомера |
|||||||||
|
Ду15 |
Ду25 |
Ду32 |
Ду40 |
Ду50 |
Ду80 |
Ду100 |
Ду150 |
Ду200 |
||
|
Минимальный расход, Qmin, м3/ч |
0.015 |
0,035 |
0,05 |
0,1 |
0,15 |
0,35 |
0,6 |
1,2 |
2,5 |
|
|
Переходный расход, Qt1, м3/ч |
0,03 |
0,09 |
0,15 |
0,2 |
0,3 |
0,9 |
1,4 |
3,2 |
5,7 |
|
|
Переходный расход, Qt2, м3/ч |
0,06 |
0,17 |
0,3 |
0,45 |
0,7 |
1,8 |
2,8 |
6,5 |
11,3 |
|
|
Максимальный расход, Qmax, м3/ч |
6,5 |
18 |
30 |
45 |
70 |
180 |
285 |
635 |
1130 |
|
|
Цена одного импульса, л/имп |
1 |
10 |
100 |
1000 |
1000 |
|||||
|
Максимальное значение ЖК индикатора, м3 |
999 999,99 |
9 999 999,9 |
99 999 999 |
|||||||
|
Наименьшая цена деления, м3 |
0,01 |
0,1 |
1 |
|||||||
|
Присоединение к трубопроводу |
фланцевое |
|||||||||
|
Масса, не менее |
7 кг. |
8 кг. |
10 кг. |
11 кг. |
12 кг. |
17 кг. |
24 кг. |
50 кг. |
70 кг. |
|
|
Межповерочный интервал |
5 лет |
|||||||||
|
Средний срок службы |
12 лет |
|||||||||
|
Гарантийный срок |
12 месяцев |
|||||||||
Рассходомер ВСЭ включает в себя блок питания, функцию реверса, интерфейс RS485, пластины заземления и болты к ним, индикацию - 2 светодиода (ВСЭ-БИ, t +5...+150 ?С) или индикацию - ЖК -индикатор (ВСЭ-И, t +5...+70 ?С)
Пределы допускаемой относительной погрешности счетчиков:
- +/- 5% - в диапазоне от Qmin до Qt1;
- +/- 2% - в диапазоне от Qt1 до Qt2;
- +/- 1% - в диапазоне от Qt2 до Qmax.
Опторазвязанные выходные сигналы расходомера - счетчика - число импульсный код, формируемый выходным каскадом типа «открытый коллектор» с параметрами:
- максимальное напряжение: 50В
- максимальный ток: 100мА
- скважность импульсов: 2
- частота импульсов, Гц, не более: 30
- выход контроля напряжения питания: 16В
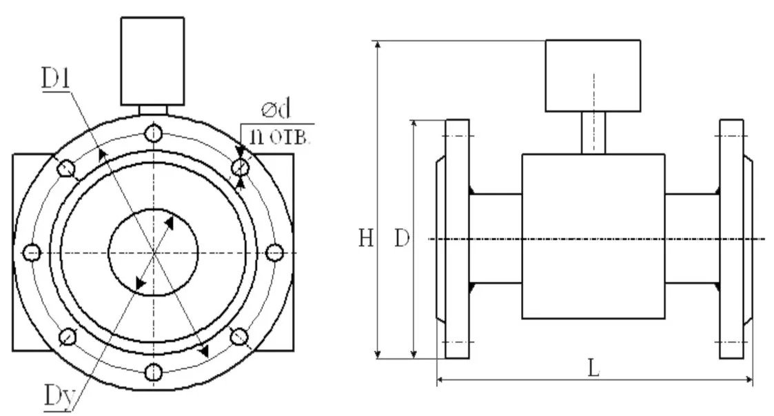
ГАБАРИТНЫЕ РАЗМЕРЫ

|
Габаритные размеры, мм, не более |
|||||||||
|
DN |
15 |
25 |
32 |
40 |
50 |
80 |
100 |
150 |
200 |
|
D |
95 |
115 |
135 |
145 |
160 |
195 |
230 |
300 |
360 |
|
D1 |
65 |
85 |
100 |
110 |
125 |
160 |
190 |
250 |
310 |
|
L ±5 |
155 |
155 |
185 |
185 |
200 |
230 |
250 |
320 |
350 |
|
d |
14 |
14 |
18 |
18 |
18 |
18 |
22 |
26 |
26 |
|
H |
261 |
281 |
294 |
306 |
316 |
350 |
381 |
436 |
501 |
Купить расходомеры ВСЭ по цене производителя
Электромагнитные расходомеры ВСЭ предназначены для измерения объема и расхода воды. Имеют импульсный выход для работы в системе теплосчетчика СТ-10 и цифровой интерфейс RS485, позволяющие использовать расходомер в системах обработки данных.
Расходомеры воды ВСЭ работают на основе принципа взаимодействия протекающей по ним жидкости с магнитным полем. Жидкость проходящая через расходомер должна быть электропроводящей.
Расходомеры ВСЭ применяются в узлах коммерческого учета водоснабжения, водяных системах теплоснабжения, в системах сбора данных, автоматического контроля, регулирования и управления технологическими процессами.
Приборы ВСЭ имеют моноблочную конструкцию и выпускаются в двух модификациях и имеют фланцевое соединение с трубопроводом:
- ВСЭ БИ - без индикации
- ВСЭ И - с индикацией (имеет встроенный ЖК дисплей)
Основные особенности
- Применяются для измерения больших и малых объемов жидкостей
- Показания не зависят от параметров жидкости (вязкости, плотности, температуры)
- Широкий диапазон измерений
- Обладают линейной шкалой
- Отсутствием сужений и подвижных элементов
Способ установки
Электромагнитные расходомеры типа: ВСЭ БИ, ВСЭ И - монтируются в любом пространственном положении, с соблюдением условий:
- Счетчик всегда должен быть заполнен водой
- Прямые участки должны составлять 5 DN до прибора и 3 DN после
|
Наименование основных технических характеристик |
Диаметр расходомера |
|||||||||
|
Ду15 |
Ду25 |
Ду32 |
Ду40 |
Ду50 |
Ду80 |
Ду100 |
Ду150 |
Ду200 |
||
|
Минимальный расход, Qmin, м3/ч |
0.015 |
0,035 |
0,05 |
0,1 |
0,15 |
0,35 |
0,6 |
1,2 |
2,5 |
|
|
Переходный расход, Qt1, м3/ч |
0,03 |
0,09 |
0,15 |
0,2 |
0,3 |
0,9 |
1,4 |
3,2 |
5,7 |
|
|
Переходный расход, Qt2, м3/ч |
0,06 |
0,17 |
0,3 |
0,45 |
0,7 |
1,8 |
2,8 |
6,5 |
11,3 |
|
|
Максимальный расход, Qmax, м3/ч |
6,5 |
18 |
30 |
45 |
70 |
180 |
285 |
635 |
1130 |
|
|
Цена одного импульса, л/имп |
1 |
10 |
100 |
1000 |
1000 |
|||||
|
Максимальное значение ЖК индикатора, м3 |
999 999,99 |
9 999 999,9 |
99 999 999 |
|||||||
|
Наименьшая цена деления, м3 |
0,01 |
0,1 |
1 |
|||||||
|
Присоединение к трубопроводу |
фланцевое |
|||||||||
|
Масса, не менее |
7 кг. |
8 кг. |
10 кг. |
11 кг. |
12 кг. |
17 кг. |
24 кг. |
50 кг. |
70 кг. |
|
|
Межповерочный интервал |
5 лет |
|||||||||
|
Средний срок службы |
12 лет |
|||||||||
|
Гарантийный срок |
12 месяцев |
|||||||||
Рассходомер ВСЭ включает в себя блок питания, функцию реверса, интерфейс RS485, пластины заземления и болты к ним, индикацию - 2 светодиода (ВСЭ-БИ, t +5...+150 ?С) или индикацию - ЖК -индикатор (ВСЭ-И, t +5...+70 ?С)
Пределы допускаемой относительной погрешности счетчиков:
- +/- 5% - в диапазоне от Qmin до Qt1;
- +/- 2% - в диапазоне от Qt1 до Qt2;
- +/- 1% - в диапазоне от Qt2 до Qmax.
Опторазвязанные выходные сигналы расходомера - счетчика - число импульсный код, формируемый выходным каскадом типа «открытый коллектор» с параметрами:
- максимальное напряжение: 50В
- максимальный ток: 100мА
- скважность импульсов: 2
- частота импульсов, Гц, не более: 30
- выход контроля напряжения питания: 16В
ГАБАРИТНЫЕ РАЗМЕРЫ

|
Габаритные размеры, мм, не более |
|||||||||
|
DN |
15 |
25 |
32 |
40 |
50 |
80 |
100 |
150 |
200 |
|
D |
95 |
115 |
135 |
145 |
160 |
195 |
230 |
300 |
360 |
|
D1 |
65 |
85 |
100 |
110 |
125 |
160 |
190 |
250 |
310 |
|
L ±5 |
155 |
155 |
185 |
185 |
200 |
230 |
250 |
320 |
350 |
|
d |
14 |
14 |
18 |
18 |
18 |
18 |
22 |
26 |
26 |
|
H |
261 |
281 |
294 |
306 |
316 |
350 |
381 |
436 |
501 |


Насосы
Корректоры газа
Расходомеры воды
Тепловычислители
Счетчики воды
Термометры и комплектующие
Датчики давления
Манометры, термоманометры, термометры
Контрольно-измерительные приборы
Программируемые устройства
Запорно-регулирующая арматура
Датчики
Силовые и коммутационные устройства
Программное обеспечение, устройства связи
Каталог ОВЕН
Каталог Термодат
Каталог Теплоком
Каталог Термотроник
Каталог ПромПрибор
Каталог Взлет
Каталог ПромСервис
Каталог Логика
Счетчики воды Декаст
Каталог Тепловодомер
Каталог ПРОМА
Каталог Instart
Каталог Meyertec
Каталог Физтех
Каталог Unipump
Каталог CNP
Каталог IMP Pumps
Каталог Streamlux
Каталог РОСМА
Каталог Термико
Каталог ИНТЭП
Каталог Minol-ZENNER
Каталог НПК ВИП
Каталог КЭАЗ
Каталог Промситех
Дозирующие насосы
Многоступенчатые насосы
Одноступенчатые насосы
Погружные насосы
Полупогружные насосы
Самовсасывающие насосы
Центробежные насосы
Циркуляционные насосы
Корректоры ВКГ
Корректоры СПГ
Адаптеры для корректоров газа
Расходомеры АКРОН
Расходомеры ВЗЛЕТ Профи
Расходомеры ВЗЛЕТ СК
Расходомеры ВЗЛЕТ УРСВ
Расходомеры ВЗЛЕТ ЭРСВ
Расходомеры ВЗЛЕТ Эксперт
Расходомеры ВПС
Расходомеры ВЭПС
Расходомеры ДРГ.М
Расходомеры Карат
Расходомеры МастерФлоу МФ Конвент
Расходомеры Мастерфлоу МФ
Расходомеры ПРЭМ
Расходомеры Питерфлоу
Расходомеры РСЦ
Расходомеры РУС-1
Расходомеры ЭМИР-ПРАМЕР-550
Расходомеры ЭХО
Расходомеры US800
Дополнительное оборудование
Дополнительное оборудование для тепловычислителей
Тепловычислители ВЗЛЕТ ТСРВ
Тепловычислители ВКТ
Тепловычислители СПТ
Тепловычислители ТВ7
Тепловычислители ТМК-Н
Дополнительное оборудование
Адаптеры для тепловычислителей
Счетчики воды Ду 15
Счетчики воды Ду 20
Счетчики воды Ду 25
Счетчики воды Ду 32
Счетчики воды Ду 40
Счетчики воды Ду 50
Счетчики воды Ду 65
Счетчики воды Ду 80
Счетчики воды Ду 100
Счетчики воды Ду 125
Счетчики воды Ду 150
Счетчики воды Ду 200
Счетчики воды Ду 250
Счетчики воды комбинированные
Дополнительное оборудование для счетчиков воды
Монтажная арматура и кабель
Термометры сопротивления
Термопары
Бобышки для термометров сопротивления
Гильзы для термометров сопротивления
Провода для термометров сопротивления
Комплекты термометров сопротивления
Одиночные термометры сопротивления
ДТП (термопары ОВЕН)
ТД (термопары Термодат)
Датчики абсолютного давления
Датчики гидростатического давления
Датчики давления-разрежения
Датчики дифференциального давления (разности давлений)
Датчики избыточного давления
Датчики разрежения
Дополнительное оборудование
Реле давления
Реле протока
Реле температуры
Манометры
Термоманометры
Термометры
Архиваторы ОВЕН
Для водоподготовки
Для холодильного оборудования
Дополнительные устройства
Измерители вакуума (вакуумметры) Мерадат
Измерители влажности
Измерители параметров и устройства защиты ОВЕН для электрических сетей
Измерители-регуляторы ОВЕН
Измерители-регуляторы Термодат
Контроллеры ОВЕН для пищевых производств
Контроллеры и регуляторы ОВЕН для ГВС, отопления, вентиляции и котельных
Контроллеры, регуляторы и сигнализаторы ОВЕН для управления насосами
Преобразователи ОВЕН для работы с полевыми сигналами
Приборы морского и речного регистра
Ручные задатчики сигналов ОВЕН
Самописцы
Счетчики, таймеры, тахометры ОВЕН
Контроллеры для диспетчеризации, телемеханики и учета ресурсов
Модули ввода/вывода
ПЛК ОВЕН (программируемые логические контроллеры)
Панели оператора
Программируемые реле ПР ОВЕН
Сенсорные панельные контроллеры
Клапаны регулирующие
Регуляторы давления, перепада давления, перепуска
Тепловая автоматика
Аксессуары к датчикам влажности
Аксессуары к датчикам давления
Аксессуары к датчикам температуры
Аксессуары к датчикам уровня
Барьеры искрозащиты ОВЕН
Бесконтактные датчики
Датчики влажности и температуры воздуха
Датчики газа
Датчики температуры
Датчики уровня
Нормирующие преобразователи
Преобразователи давления ПД ОВЕН
Сопутствующие товары
Термометры сопротивления взрывозащищенные
Термометры сопротивления общепромышленные
Взрывозащищенные датчики давления
Интеллектуальные датчики давления
Общепромышленные датчики давления
Реле давления ОВЕН
Специализированные датчики давления
Блоки питания ОВЕН
Запорно-регулирующая арматура для силовых устройств
Микроклимат для шкафов управления
Приборы для индикации и управления задвижками
Промежуточные реле
Регуляторы мощности
Редукторы
Сетевые и моторные дроссели ОВЕН
Силовые блоки
Твердотельные и промежуточные реле MEYERTEC
Твердотельные реле
Твердотельные реле KIPPRIBOR
Твердотельные реле Протон-Импульс
Тормозные резисторы
Устройства коммутации
Устройства контроля и защиты
Устройства плавного пуска
Частотные преобразователи ОВЕН (ПЧВ)
Шаговые приводы
Электротехническое оборудование MEYERTEC
OPC-серверы
Owen Logic ПО
OwenCloud
SCADA системы
Драйверы и библиотеки ОВЕН
Конфигураторы
Модемы
ПО и устройства связи BITCORD
ПО и устройства связи Termodat
Среда программирования CODESYS
Среда программирования Полигон
Устройства связи
Датчики
Контрольно-измерительные приборы
Программируемые устройства
Программное обеспечение, устройства связи
Силовые и коммутационные устройства
Аксессуары к датчикам влажности
Аксессуары к датчикам давления
Аксессуары к датчикам температуры
Аксессуары к датчикам уровня
Барьеры искрозащиты
Бесконтактные датчики
Датчики влажности и температуры воздуха
Датчики газа
Датчики температуры
Датчики уровня
Нормирующие преобразователи
Преобразователи давления
Архиваторы
Для ГВС, отопления, вентиляции и котельных
Для водоподготовки
Для пищевых производств
Для управления насосами
Для холодильного оборудования
Для электрических сетей
Дополнительные устройства
Измерители-регуляторы
Ручные задатчики сигналов
Счетчики, таймеры, тахометры
Модули ввода/вывода
Панели оператора
Программируемые логические контроллеры
Программируемые реле
OPC-серверы
OwenCloud
SCADA системы
Драйверы и библиотеки ОВЕН
Конфигураторы
Среда программирования CODESYS
Среда программирования Owen Logic
Среда программирования Полигон
Устройства связи
Блоки питания
Дроссели
Микроклимат для шкафов управления
Преобразователи частоты
Приборы для индикации и управления задвижками
Промежуточные реле
Регуляторы мощности
Твердотельные и промежуточные реле MEYERTEC
Твердотельные реле KIPPRIBOR
Твердотельные реле Протон-Импульс
Тормозные резисторы
Устройства коммутации
Устройства контроля и защиты
Шаговые приводы
Датчики температуры Термодат
Измерители вакуума
Измерители влажности Термодат
Модули аналогового ввода
Обезвреживание отходов
Одноканальный измеритель температуры
Приборы с приемкой морского или речного регистра
Регистраторы силы тока и напряжения
Самописцы
Сетевое оборудование и программы
Силовые блоки Термодат
Таймеры и счетчики
Термодат-10К7
Термодат-10М7
Термодат-11
Термодат-12
Термодат-13
Термодат-14
Термодат-16
Термодат-17Е6
Термодат-18
Термодат-19
Термодат-22
Термодат-25Е6
Термодат-25М6
Термодат-29
Термодат-30
Монтажная арматура Термодат
Термометры сопротивления Термодат
Термопары Термодат
Вакуумметры
Датчики вакуума и соединительные кабели
Вычислители
Дополнительные устройства
Оборудование для монтажа
Расходомеры
Оборудование для монтажа расходомеров ПРЭМ
Дополнительное оборудование Термотроник
Тепловычислители Термотроник ТВ7
Электромагнитные расходомеры-счётчики Питерфлоу
Комплектующие для тепловычислителей и теплосчётчиков
Преобразователи расхода
Присоединительная арматура
Тепловычислители ПромПрибор
Расходомеры-счетчики электромагнитные ВЗЛЕТ СК
Расходомеры-счетчики ультразвуковые ВЗЛЕТ МР (УРСВ)
Расходомеры-счетчики электромагнитные ВЗЛЕТ ЭМ (ЭКСПЕРТ М)
Расходомеры-счетчики электромагнитные ВЗЛЕТ ЭМ (ПРОФИ М)
Расходомеры-счетчики электромагнитные ВЗЛЕТ ЭР (Лайт М)
Теплосчетчики-регистраторы ВЗЛЕТ ТСР
Термопреобразователи сопротивления ВЗЛЕТ ТПС
Комплектующие ПромСервис
Преобразователи расхода ПромСервис
Оборудование для учета количества различных газов
Сервисные устройства и источники питания
Учет тепловой энергии, воды и пара
Корректоры газа Логика
Адаптеры Логика
Тепловычислители Логика
Бытовые
Комбинированные
Общедомовые
Промышленные
ВКМ (Ду 15, 20)
ВКМ М (Ду 15, 20)
ВСКМ (Ду 15, 20)
ВСКМ М (Ду 15, 20)
ОСВУ (Ду 15, 20)
ОСВХ (Ду 15, 20)
ОСВХ «НЕПТУН» (Ду 15, 20)
СТВК-1 (Ду 50, 80, 100, 150)
СТВК-2 (Ду 50, 80, 100, 150)
ВКМ (Ду 25, 32)
ВКМ М (Ду 25, 32, 40, 50)
ВСКМ 90 (Ду 25, 32, 40, 50)
ОСВУ (Ду 25, 32, 40)
ОСВХ (Ду 25, 32, 40)
СТВУ (Ду 50, 65, 80, 100, 150, 200)
СТВХ (Ду 50, 65, 80, 100, 150, 200)
Счетчики воды Тепловодомер
Турбинные счетчики воды - Водомер (Ду 50-200)
Водосчетчики класс защиты IP68 (Ду 15-250)
Квартирные счетчики воды (Ду 15, 20)
Комбинированные счетчики воды (Ду 50-150)
Крыльчатые счетчики воды (Ду 25, 32, 40)
Крыльчатые счетчики воды - Водомер (Ду 25)
Многоструйные счетчики (Ду 25, 32, 40)
Счетчики на воду класса "С" (Ду 15, 20, 25, 32, 40)
Турбинные счетчики воды (Ду 40-250)
Запально-защитные устройства, пилотные горелки, промышленные, инжекционные
Измерители уровня, параметров
Комплектующие для запально-защитных устройств, пилотных горелок
Оборудование для узлов учета, датчики давления
Приборы для измерения давления
Приборы для измерения температуры
Источники высокого напряжения
Арматура для датчиков давления
Датчики и измерители давления
Реле давления ПРОМА
Датчики уровня температуры для котлов системы отопления
Преобразователи температуры
Регуляторы и измерители температуры
Реле температуры ПРОМА
Термопреобразователи, термометры сопротивления (ТСП)
Преобразователи частоты Instart
Устройства плавного пуска Instart
FCI – для универсальных применений
MCI - серия общего применения
SDI – экономичная серия
VCI – компактная и экономичная серия
Аксессуары
Джойстики
Клеммы на DIN-рейку
Концевые выключатели
Микроклимат
Нагреватели шкафов
Посты кнопочные
Потенциометры
Промежуточные и твердотельные реле
Регуляторы мощности Meyertec
Светосигнальные колонны
Сигнальные устройства
Термостаты
Устройства управления
Цифровые индикаторы
Манометры Физтех
Термоманометры Физтех
Термометры Физтех
Виброустойчивые коррозионностойкие манометры
Виброустойчивые манометры
Газовые манометры
Коррозионностойкие манометры
Манометры для ЖКХ
Манометры точных измерений (МТИ)
Общетехнические котловые манометры
Общетехнические манометры
Общетехнические пылевлагозащищенные манометры
Электроконтактные взрывозащищенные манометры
Электроконтактные виброустойчивые манометры
Электроконтактные коррозионностойкие манометры
Электроконтактные манометры (ЭКМ)
Электроконтактные пылевлагозащищенные манометры
Термоманометры МПТ
Биметаллические термометры
Коррозионностойкие биметаллические термометры
Коррозионностойкие биметаллические термометры IP65
Поверхностные насосы Unipump
Циркуляционные насосы Unipump
Насосы поверхностные UNIPUMP серии JS
Насосы поверхностные UNIPUMP серии MH
Насосы поверхностные UNIPUMP серии CPM
Насосы поверхностные UNIPUMP серии DP
Насосы поверхностные UNIPUMP серии ECO JET LA
Насосы поверхностные UNIPUMP серии JET L
Насосы поверхностные UNIPUMP серии JET S
Насосы поверхностные UNIPUMP серии JSW
Насосы поверхностные UNIPUMP серии QB
Насосы циркуляционные UNIPUMP серии PH
Насосы циркуляционные UNIPUMP серии UPC
Насосы циркуляционные UNIPUMP серии UPF
Насосы циркуляционные UNIPUMP серии UPF3
Насосы циркуляционные UNIPUMP серии UPH
Насосы циркуляционные UNIPUMP серии CP
Насосы циркуляционные UNIPUMP серии LPA
Насосы циркуляционные UNIPUMP серии UPA
Насосы циркуляционные UNIPUMP серии WIP
Дозирующие насосы CNP
Консольно-моноблочные многоступенчатые насосы CNP
Консольные и консольно-моноблочные одноступенчатые насосы
Многоступенчатые насосы IN-LINE CNP
Многоступенчатые насосы высокого давления
Насосы двухстороннего всасывания
Погружные скважинные насосы
Погружные сточно-массные и дренажные насосы
Полупогружные насосы CNP
Самовсасывающие насосы CNP
Циркуляционные насосы CNP
Многоступенчатые центробежные насосы MULTISTAGE IMP Pumps
Центробежные насосы INLINE IMP Pumps
Циркуляционные насосы GHN IMP Pumps
Циркуляционные насосы NMT IMP Pumps
Циркуляционные насосы SAN IMP Pumps
Доплеровские ультразвуковые расходомеры
Радарные уровнемеры
Расходомеры для агрессивных сред
Расходомеры для открытых каналов
Расходомеры для сильно загрязненных сред
Расходомеры для сточных вод и канализации
Расходомеры для чистой воды
Расходомеры пищевых жидкостей
Расходомеры портативные
Расходомеры с накладными датчиками
Расходомеры тепла (теплосчетчики)
Ультразвуковые уровнемеры
Манометры РОСМА
Термометры РОСМА
Термоманометры РОСМА
Реле
Реле давления РОСМА
Защитная арматура к термопреобразователям
Комплекты термометров сопротивления из платины типа КТПТР
Термопреобразователи сопротивления из платины ТПТ, из меди ТМТ
Гильзы защитные
Гильзы защитные ИНТЭП
Комплекты термопреобразователей сопротивления платиновых КТСП-Н
Преобразователи давления измерительные НТ
Термопреобразователи сопротивления платиновые ТСП-Н
Квартирные счетчики воды
Комплектующие
Общедомовые счетчики воды
Промышленные счетчики воды
Импульсные датчики
Интеллектуальные датчики давления НПК ВИП
Каталог INNOCONT
Каталог INNOLEVEL
Каталог INNORED
Каталог INNOVARI
Каталог INNOVERT
Контроллеры
Муфты
Преобразователи давления
Преобразователи напряжения
Программаторы
Светосигнальные колонны INNOCONT
Энкодеры
Вибрационные датчики
Датчики пыли
Конвейерные датчики
Мембранные датчики
Микроволновые датчики
Оптические датчики
Поплавковые датчики
Ротационные датчики
Ультразвуковые датчики
Устройства плавного пуска INNOVERT
Фильтры ЭМС
Энкодеры INNOVERT